コラム ~ DENATRON Museum ~
製品情報
HOME > コラム ~ DENATRON Museum ~ >製品情報
記事一覧
デナトロンに関する製品情報を掲載
-

-
【デナトロン新技術情報】少量添加で高い導電性を実現!!
2023/09/12
ポリチオフェン系導電性ポリマー(PEDOT:PSS) をベースとした水系分散液の新技術をご紹介いたします。 ● 独自技術により、少量添加でも高い導電性 を示します。 ● 従来の弊社高導電品と比べて…
もっと読む
-

-
高導電ペースト剤のご紹介!
2023/09/01
デナトロンの高導電ペースト剤【デナトロン SPB-004】についてご紹介いたします。【デナトロン SPB-004】はポリチオフェン系導電性ポリマー(PEDOT:PSS)をベースとした中性タ…
もっと読む
-

-
電磁波シールドコーティング剤のご紹介
2023/08/31
デナトロンの電磁波シールドコーティング剤【デナトロン CPT-001】についてご紹介いたします。【デナトロン CPT-001】はSW-CNT(単層カーボンナノチューブ) とポリチオフェン系…
もっと読む
-

-
【デナトロン新製品】高導電CNTのご紹介!
2023/07/26
デナトロンの新製品高導電CNT「CD-200」についてご紹介させていたします。「CD-200」は高い導電性を有するカーボンナノチューブをベースとした水系分散液です。独自技術で従来より…
もっと読む
-

-
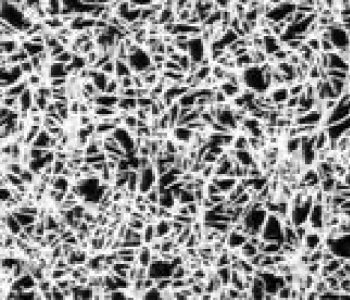
カーボンナノチューブ(CNT)の膜をSEM観察してみよう
2020/10/11
前回カーボンナノチューブ(CNT)の分散について書きました。今回はCNTの分散液を成膜して表面をSEM(走査電子顕微鏡)で観察したいと思います。前回お話ししたように、カーボンナノチューブ(C…
もっと読む
-

-
カーボンナノチューブ(CNT)の分散
2020/06/30
デナトロンのナノカーボンType-C製品の一つにカーボンナノチューブ(CNT)をベースにしている製品があります。今回はカーボンナノチューブ(CNT)の分散について書きたいと思います。(カーボンナノチ…
もっと読む
-

-
ナノカーボンとは?
2020/02/11
デナトロンに新たにナノカーボンがラインナップに加わりました!ということで今回はナノカーボンについてお話していこうと思います。カーボン材料は古くは木炭からはじまり、活性炭やカーボンブラックなど…
もっと読む