Resources ~ DENATRON Museum ~
Product Information
HOME > Resources ~ DENATRON Museum ~ >Product Information
List of articles
Feature product information on DENATRON
-

-
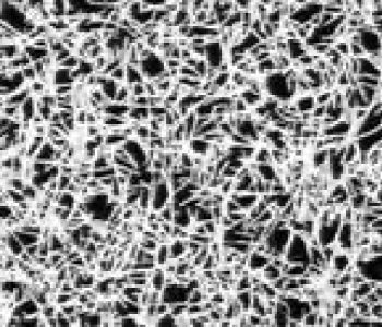
SEM observation of CNTs coating
2020/10/11
We used Carbon nanotubes(CNTs) dispersion to create a coating films and observed its surface with SEM. It is considered difficult to disperse Carbon nanotubes (CNTs) in any kind…
Read more
-

-
Dispersing Carbon nanotubes (CNTs)
2020/06/30
One of the DENATRON nanocarbon Type-C products is based on Carbon nanotubes (CNTs). This section describes the dispersion of carbon nanotubes (CNTs). Carbon nanotubes (CNTs)…
Read more
-

-
What is nanocarbon?
2020/02/11
Carbon materials are extremely diverse, ranging from charcoal, used since antiquity, to activated carbon and carbon black. It is a material that is closely knit into our lives.…
Read more